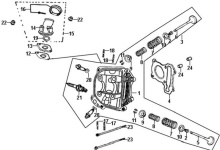
Пружина клапана, арт. 14751-ARA-000

Самовывоз...
Доставка...
Доставка
Основные характеристики
Компания Velocity предлагает приобрести Пружина клапана SYM Allo 125 Crox 125 Jet 4 125 Symphony 125 производства SYM parts. Пружина, артикул 14751-ARA-000подходит для применения в мототехнике ALLO 125, Crox 125, Jet4 125, SYMPHONY 125SR. Для проверки совместимости рекомендуем воспользоваться нашим сервисом подбора запчастей. Стоимость Пружина клапана SYM Allo 125 Crox 125 Jet 4 125 Symphony 125 составляет 150 руб. без учета доставки. Осуществляем обмен или возврат товара в течение 14 дней с момента покупки.
14751-ARA-000
14751ARA000

Подбор запчастей Головка цилиндра Двигатель Allo 125 SYM
Смотреть
Подбор запчастей Головка блока цилиндра Двигатель Crox 125 SYM
Смотреть
Подбор запчастей Головка цилиндра Двигатель Jet 4 125 (AD12W1-6 ANA) Jet 4 125 SYM
Смотреть
Подбор запчастей Головка цилиндра Двигатель Symphony SR-125 (AZ12W1-T) с 2017 Symphony SR-125 SYM
Смотреть
Подбор запчастей Головка цилиндра Двигатель Symphony SR-125 (AZ12W1-T) до 2017 Symphony SR-125 SYM
СмотретьДоставка