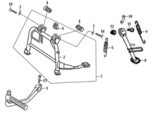
Рычаг кикстартера, арт. 28300-GY6-900

Самовывоз...
Доставка...
Доставка
Основные характеристики
Компания Velocity предлагает приобрести Рычаг кикстартера SYM Orbit 125 производства SYM parts. Рычаг, артикул 28300-GY6-900подходит для применения в мототехнике ORBIT 125. Для проверки совместимости рекомендуем воспользоваться нашим сервисом подбора запчастей. Стоимость Рычаг кикстартера SYM Orbit 125 составляет 2 306 руб. без учета доставки. Осуществляем обмен или возврат товара в течение 14 дней с момента покупки.
28300-GY6-900
28300GY6900

Подбор запчастей Подножки Кузов/Электрика Orbit 125 (AV12W-6 ABA) Orbit 125 SYM
СмотретьДоставка