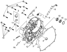
Сальник 13x20x4, арт. 90076-N01-000

Самовывоз...
Доставка...
Доставка
Основные характеристики
Компания Velocity предлагает приобрести Сальник 13x20x4 SYM Wolf 250 производства SYM parts. Сальник, артикул 90076-N01-000подходит для применения в мототехнике WOLF T2. Для проверки совместимости рекомендуем воспользоваться нашим сервисом подбора запчастей. Стоимость Сальник 13x20x4 SYM Wolf 250 составляет 147 руб. без учета доставки. Осуществляем обмен или возврат товара в течение 14 дней с момента покупки.
90076-N01-000
90076N01000

Подбор запчастей Правая крышка картера Двигатель Wolf 250 (EFIPD25A1-6) Wolf 250 SYM
СмотретьДоставка