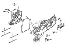
Шпилька 7х167, арт. 90032-BE2-A00

Самовывоз...
Доставка...
Доставка
Основные характеристики
Компания Velocity предлагает приобрести Шпилька 7х167 SYM Orbit 50 производства SYM parts. Шпилька, артикул 90032-BE2-A00подходит для применения в мототехнике ORBIT 50 AV05W1-S, ORBIT 50 AV05W-6. Для проверки совместимости рекомендуем воспользоваться нашим сервисом подбора запчастей. Стоимость Шпилька 7х167 SYM Orbit 50 составляет 123 руб. без учета доставки. Осуществляем обмен или возврат товара в течение 14 дней с момента покупки.
90032-BE2-A00
90032BE2A00

Подбор запчастей КАРТЕР ДВИГАТЕЛЬ Orbit 50 (AV05W-6 AAA) Orbit 50 SYM
СмотретьДоставка