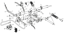
Винт спец. М6х12, арт. 90110-T53-000

Самовывоз...
Доставка...
Доставка
Основные характеристики
Компания Velocity предлагает приобрести Винт спец. М6х12 SYM JoyRide 200 производства SYM parts. Винт, артикул 90110-T53-000подходит для применения в мототехнике JOYRIDE 200i. Для проверки совместимости рекомендуем воспользоваться нашим сервисом подбора запчастей. Стоимость Винт спец. М6х12 SYM JoyRide 200 составляет 19 руб. без учета доставки. Осуществляем обмен или возврат товара в течение 14 дней с момента покупки.
90110-T53-000
90110T53000

Подбор запчастей Руль Кузов/Электрика CityCom 300 (LH30W-6) CityCom 300 SYM
Смотреть
Подбор запчастей Тормоза Кузов/Электрика JoyRide 200 (LA18W9-6) JoyRide 200 SYM
Смотреть
Подбор запчастей Руль Кузов/Электрика JoyRide 200 EFI (LF18W-6) JoyRide 200 SYM
Смотреть
Подбор запчастей Передний тормоз Кузов/Электрика RS 125 (HS12W2-6) RS 125 SYM
СмотретьДоставка