Доска с наклейкой SPEED+, арт. 1214

Самовывоз...
Доставка...
Доставка
Основные характеристики

Подбор запчастей Трансмиссия ZS194MQ (NC450) #2 Двигатели
Смотреть
Подбор запчастей Рама QR 300 Access Motor
Смотреть
Подбор запчастей Рама QR 300 IRS Access Motor
Смотреть
Подбор запчастей Рама QR 400 Access Motor
Смотреть
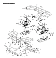
Подбор запчастей Бампер и багажник QR 400 Access Motor
Смотреть
Подбор запчастей Бампер QR 700 Access Motor
СмотретьДоставка