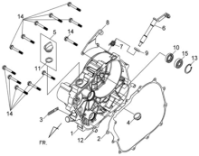
Прокладка правой крышки картера двигателя, арт. 11393-BAA-000

Самовывоз...
Доставка...
Доставка
Основные характеристики
Компания Velocity предлагает приобрести Прокладка правой крышки картера двигателя SYM Wolf 250 производства SYM parts. Прокладка, артикул 11393-BAA-000подходит для применения в мототехнике WOLF T2. Для проверки совместимости рекомендуем воспользоваться нашим сервисом подбора запчастей. Стоимость Прокладка правой крышки картера двигателя SYM Wolf 250 составляет 886 руб. без учета доставки. Осуществляем обмен или возврат товара в течение 14 дней с момента покупки.
11393-BAA-000
11393BAA000

Подбор запчастей Правая крышка картера Двигатель Wolf 250 (EFIPD25A1-6) Wolf 250 SYM
СмотретьДоставка