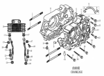
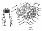
Запчасти Двигатели ZS1P60YMJ (W150) - в наличии на складе и под заказ!