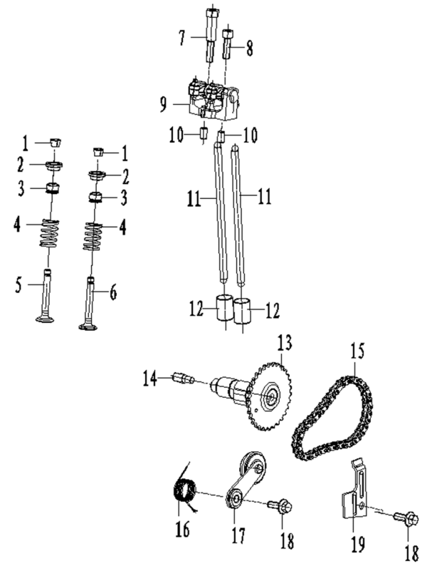
Запчасти Двигатели ГРМ ZS1P44FMC (ZL60) [30.110.0207] - в наличии на складе и под заказ!

ГРМ
Наименование
Артикул
Кол-во в узле
Цена
Наличие
Аналоги
Наименование
1
Кол-во в узле
Цена
100050896
4
Подобрать аналоги
Наименование
2
Кол-во в узле
Цена
100052724
2
116 ₽
Наименование
3
Кол-во в узле
Цена
100105336
2
230 ₽
Подобрать аналоги
Наименование
4
Кол-во в узле
Цена
100052645
2
173 ₽
Наименование
5
Кол-во в узле
Цена
100052722
1
590 ₽
Наименование
6
Кол-во в узле
Цена
100052723
1
623 ₽
Наименование
7
Болт
100053225
Кол-во в узле
Цена
100053225
1
49 ₽
Наименование
8
Болт
100053226
Кол-во в узле
Цена
100053226
1
295 ₽
Наименование
9
Коромысло
100053855
Кол-во в узле
Цена
100053855
1
837 ₽
Наименование
10
Штифт 6x10
100100911
Кол-во в узле
Цена
100100911
2
Наименование
11
Кол-во в узле
Цена
100051399
2
243 ₽
Наименование
12
Втулка
100051398
Кол-во в узле
Цена
100051398
2
186 ₽
Наименование
13
Кол-во в узле
Цена
100051397
1
1 511 ₽
Наименование
14
Кол-во в узле
Цена
100051400
1
45 ₽
Наименование
15
Цепь ГРМ 42
100055331
Кол-во в узле
Цена
100055331
1
230 ₽
Наименование
16
Пружина
100051403
Кол-во в узле
Цена
100051403
1
6 ₽
Наименование
17
Кол-во в узле
Цена
100051402
1
262 ₽
Наименование
18
Винт M6x16
100055589-0006
Кол-во в узле
Цена
100055589-0006
2
Подобрать аналоги
Наименование
19
Кол-во в узле
Цена
100051008
1