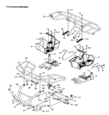
Багажник задний 700, арт. 71213-A36-000

Самовывоз...
Доставка...
Доставка
Основные характеристики
Компания Velocity предлагает приобрести Багажник задний 700 Access производства Access parts. Для проверки совместимости рекомендуем воспользоваться нашим сервисом подбора запчастей. Стоимость Багажник задний 700 Access составляет 25 574 руб. без учета доставки. Осуществляем обмен или возврат товара в течение 14 дней с момента покупки.
71213-A36-000
NULL

Подбор запчастей Бампер QR 700 Access Motor
СмотретьДоставка