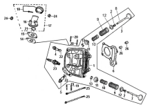
Головка цилиндра, арт. 12200-H12-000-KD

Мы снизим цену!
Самовывоз...
Доставка...
Доставка
Основные характеристики
Компания Velocity предлагает приобрести Головка цилиндра SYM Orbit 125 производства SYM parts. Головка цилиндра, артикул 12200-H12-000-KDподходит для применения в мототехнике ORBIT 125. Для проверки совместимости рекомендуем воспользоваться нашим сервисом подбора запчастей. Стоимость Головка цилиндра SYM Orbit 125 составляет 6 141 руб. без учета доставки. Осуществляем обмен или возврат товара в течение 14 дней с момента покупки.
12200-H12-000-KD
12200H12000KD

Подбор запчастей Головка цилиндра Двигатель Orbit 125 (AV12W-6 ABA) Orbit 125 SYM
СмотретьДоставка