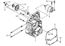
Картер двигателя правая половина, арт. 11100-HMA-001

Самовывоз...
Доставка...
Доставка
Основные характеристики
Компания Velocity предлагает приобрести Картер двигателя правая половина SYM GTS 300 производства SYM parts. Картер двигателя, артикул 11100-HMA-001подходит для применения в мототехнике GTS300i. Для проверки совместимости рекомендуем воспользоваться нашим сервисом подбора запчастей. Стоимость Картер двигателя правая половина SYM GTS 300 составляет 10 292 руб. без учета доставки. Осуществляем обмен или возврат товара в течение 14 дней с момента покупки.
11100-HMA-001
11100HMA001

Подбор запчастей Правая половина картера Двигатель GTS 300i EFI (LM30W-6) GTS 300i SYM
СмотретьДоставка