Хомут пружинный, арт. 95002-02080
 
            Самовывоз...
Доставка...
Доставка
Основные характеристики
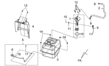
Компания Velocity предлагает приобрести Хомут пружинный SYM Allo 125 Maxsym 400 Maxsym 600 Wolf 250 XS 125 Orbit 125 Symphony 125 Symphony 50 JoyRide 200 JoyMax 300 GTS 300 Allo 50 JetNaked 50 Jet 4 125 Jet 4 50 Orbit 50 Maxsym 500 производства SYM parts. Хомут, артикул 95002-02080подходит для применения в мототехнике ALLO 125, MAXSYM 400, MAXSYM 600, WOLF T2, XS 125, ORBIT 125, SYMPHONY 125SR, SYMPHONY 50 SPORT, JOYRIDE 200i, JOYMAX 300i ABS, GTS300i, ALLO 50, Jet4 R50 Naked, Jet4 125, Jet4 50, ORBIT 50 AV05W1-S, ORBIT 50 AV05W-6, MAXSYM TL500. Для проверки совместимости рекомендуем воспользоваться нашим сервисом подбора запчастей. Стоимость Хомут пружинный SYM Allo 125 Maxsym 400 Maxsym 600 Wolf 250 XS 125 Orbit 125 Symphony 125 Symphony 50 JoyRide 200 JoyMax 300 GTS 300 Allo 50 JetNaked 50 Jet 4 125 Jet 4 50 Orbit 50 Maxsym 500 составляет 44 руб. без учета доставки. Осуществляем обмен или возврат товара в течение 14 дней с момента покупки.
95002-02080
9500202080
 
            Подбор запчастей Бензобак Кузов/Электрика Allo 50 (AJ05W5-6-A9F) Allo 50 SYM
Смотреть 
            Подбор запчастей Бензобак Кузов/Электрика Allo 125 SYM
Смотреть 
            Подбор запчастей Бензобак Кузов/Электрика EuroX 100 (G100P3-6) EuroX 100 SYM
Смотреть 
            Подбор запчастей Бензобак Кузов/Электрика EuroX Sport (BK05W1-6) EuroX Sport SYM
Смотреть 
            Подбор запчастей Масляный бак / Подрамник Кузов/Электрика EuroX Sport (BK05W1-6) EuroX Sport SYM
Смотреть 
            Подбор запчастей Редуктор Двигатель GTS 250 (LM25W-6_edited) GTS 250 SYM
Смотреть 
            Подбор запчастей Редуктор Двигатель GTS 300i EFI (LM30W-6) GTS 300i SYM
Смотреть 
            Подбор запчастей Бензобак Кузов/Электрика GTS 300i EFI (LM30W-6) GTS 300i SYM
Смотреть 
            Подбор запчастей Бензобак Кузов/Электрика Jet 4 50 (AD05W4-S ATD) Jet 4 50 SYM
Смотреть 
            Подбор запчастей Бензобак Кузов/Электрика Jet 4 50 Naked (JD05W4-6) Jet 4 50 SYM
Смотреть 
            Подбор запчастей Бензобак Кузов/Электрика Jet 4 125 (AD12W1-6 ANA) Jet 4 125 SYM
Смотреть 
            Подбор запчастей Облицовка рулевой колонки Кузов/Электрика JoyMax 300i JoyMax 300i SYM
Смотреть 
            Подбор запчастей Бензобак Кузов/Электрика JoyMax 300i JoyMax 300i SYM
Смотреть 
            Подбор запчастей Левая половина картера Двигатель JoyRide 200 EFI (LF18W-6) JoyRide 200 SYM
Смотреть 
            Подбор запчастей Бак топливный Рама CRUISYM (LV30W3-EU) CRUISYM SYM
Смотреть 
            Подбор запчастей Резервный бак Кузов/Электрика MaxSYM 400i (LX40A1-6-L4A ) MaxSYM 400 SYM
Смотреть 
            Подбор запчастей Резервный бак Кузов/Электрика MaxSYM 400i ABS MaxSYM 400 SYM
Смотреть 
            Подбор запчастей Резервный бак Кузов/Электрика MaxSYM 600 (LX60A2) MaxSYM 600 SYM
Смотреть 
            Подбор запчастей ТОПЛИВНЫЙ БАК КУЗОВ / ЭЛЕКТРИКА Orbit 50 (AV05W-6 AAA) Orbit 50 SYM
Смотреть 
            Подбор запчастей Бензобак Кузов/Электрика Orbit 125 (AV12W-6 ABA) Orbit 125 SYM
Смотреть 
            Подбор запчастей Бензобак Кузов/Электрика Symphony SR-50 (AZ05W1-T) Symphony SR-50 SYM
Смотреть 
            Подбор запчастей Бензобак Кузов/Электрика Symphony SR-125 (AZ12W1-T) с 2017 Symphony SR-125 SYM
Смотреть 
            Подбор запчастей Бензобак Кузов/Электрика Symphony SR-125 (AZ12W1-T) до 2017 Symphony SR-125 SYM
Смотреть 
            Подбор запчастей Резервный бак Кузов/Электрика Wolf 250 (EFIPD25A1-6) Wolf 250 SYM
Смотреть 
            Подбор запчастей Бензобак Кузов/Электрика XS 125-K SYM
Смотреть 
            Подбор запчастей Левая половина картера Двигатель ATV 200 SYM
СмотретьДоставка
 
             
             
             
             
             
             
             
             
             
             
             
             
             
             
             
             
            