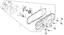
Кольцо стопорное, арт. 94511-14000
 
            Самовывоз...
Доставка...
Доставка
Основные характеристики
Компания Velocity предлагает приобрести Кольцо стопорное SYM JetNaked 50 XS 125 производства SYM parts. Кольцо, артикул 94511-14000подходит для применения в мототехнике Jet4 R50 Naked, XS 125. Для проверки совместимости рекомендуем воспользоваться нашим сервисом подбора запчастей. Стоимость Кольцо стопорное SYM JetNaked 50 XS 125 составляет 37 руб. без учета доставки. Осуществляем обмен или возврат товара в течение 14 дней с момента покупки.
94511-14000
9451114000
 
            Подбор запчастей Крышка вариатора Двигатель BasiX 50 (BL05WG-S) BasiX 50 SYM
Смотреть 
            Подбор запчастей Крышка вариатора Двигатель DD50 (FT05V3-8) DD50 SYM
Смотреть 
            Подбор запчастей Крышка вариатора Двигатель EuroX 50 (BL05W7-6) EuroX 50 SYM
Смотреть 
            Подбор запчастей Крышка вариатора Двигатель EuroX 100 (G100P3-6) EuroX 100 SYM
Смотреть 
            Подбор запчастей Крышка вариатора Двигатель EuroX Sport (BK05W1-6) EuroX Sport SYM
Смотреть 
            Подбор запчастей Левая крышка картера Двигатель Jet 4 50 Naked (JD05W4-6) Jet 4 50 SYM
Смотреть 
            Подбор запчастей Крышка вариатора Двигатель JoyRide 200 (LA18W9-6) JoyRide 200 SYM
Смотреть 
            Подбор запчастей Крышка вариатора Двигатель Mio 50 (HU05W-T) Mio 50 SYM
Смотреть 
            Подбор запчастей Крышка вариатора Двигатель RS 125 (HS12W2-6) RS 125 SYM
Смотреть 
            Подбор запчастей Крышка вариатора Двигатель Symphony SR-125 (AZ12W1-T) с 2017 Symphony SR-125 SYM
Смотреть 
            Подбор запчастей Крышка вариатора Двигатель VS 150 (HV15WA-6 2) VS 150 SYM
Смотреть 
            Подбор запчастей Механизм переключения передач Двигатель XS 125-K SYM
Смотреть 
            Подбор запчастей Крышка вариатора Двигатель ATV 200 SYM
СмотретьДоставка
 
             
             
             
             
             
             
             
             
             
             
             
             
             
             
             
             
            