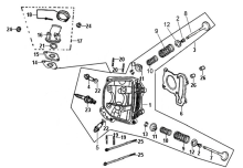
Патрубок впускной, арт. 17110-ABA-000

Самовывоз...
Доставка...
Доставка
Основные характеристики
Компания Velocity предлагает приобрести Патрубок впускной SYM Orbit 125 производства SYM parts. , артикул 17110-ABA-000подходит для применения в мототехнике ORBIT 125. Для проверки совместимости рекомендуем воспользоваться нашим сервисом подбора запчастей. Стоимость Патрубок впускной SYM Orbit 125 составляет 0 руб. без учета доставки. Осуществляем обмен или возврат товара в течение 14 дней с момента покупки.
17110-ABA-000
17110ABA000

Подбор запчастей Головка цилиндра Двигатель Orbit 125 (AV12W-6 ABA) Orbit 125 SYM
СмотретьДоставка