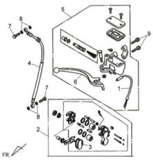
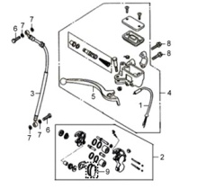
Суппорт дискового тормоза передний, арт. 45100-T6R-900

Мы снизим цену!
Самовывоз...
Доставка...
Доставка
Основные характеристики
Компания Velocity предлагает приобрести Суппорт дискового тормоза передний SYM Orbit 50 Orbit 125 Allo 125 Allo 50 производства SYM parts. Суппорт, артикул 45100-T6R-900подходит для применения в мототехнике ORBIT 50 AV05W1-S, ORBIT 125, ALLO 125, ALLO 50, ORBIT 50 AV05W-6. Для проверки совместимости рекомендуем воспользоваться нашим сервисом подбора запчастей. Стоимость Суппорт дискового тормоза передний SYM Orbit 50 Orbit 125 Allo 125 Allo 50 составляет 4 038 руб. без учета доставки. Осуществляем обмен или возврат товара в течение 14 дней с момента покупки.
45100-T6R-900
45100T6R900

Подбор запчастей Передний тормоз Кузов/Электрика Allo 50 (AJ05W5-6-A9F) Allo 50 SYM
Смотреть
Подбор запчастей Передний тормоз Кузов/Электрика Allo 125 SYM
Смотреть
Подбор запчастей Тормоза Кузов/Электрика EuroX Sport (BK05W1-6) EuroX Sport SYM
Смотреть
Подбор запчастей ПЕРЕДНИЙ ТОРМОЗ КУЗОВ / ЭЛЕКТРИКА Orbit 50 (AV05W-6 AAA) Orbit 50 SYM
Смотреть
Подбор запчастей Передний тормоз Кузов/Электрика Orbit 125 (AV12W-6 ABA) Orbit 125 SYM
СмотретьДоставка