Винт с фланцем М6х22, арт. 95701-06022-07
 
            Самовывоз...
Доставка...
Доставка
Основные характеристики
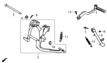
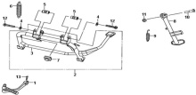
Компания Velocity предлагает приобрести Винт с фланцем М6х22 SYM Crox 125 Orbit 50 Orbit 125 производства SYM parts. Винт, артикул 95701-06022-07подходит для применения в мототехнике Crox 125, ORBIT 50 AV05W1-S, ORBIT 125. Для проверки совместимости рекомендуем воспользоваться нашим сервисом подбора запчастей. Стоимость Винт с фланцем М6х22 SYM Crox 125 Orbit 50 Orbit 125 составляет 62 руб. без учета доставки. Осуществляем обмен или возврат товара в течение 14 дней с момента покупки.
95701-06022-07
957010602207
 
            Подбор запчастей Подножки Кузов/Электрика BasiX 50 (BL05WG-S) BasiX 50 SYM
Смотреть 
            Подбор запчастей Подножки Кузов/Электрика EuroX 50 (BL05W7-6) EuroX 50 SYM
Смотреть 
            Подбор запчастей Подножки Кузов/Электрика EuroX 100 (G100P3-6) EuroX 100 SYM
Смотреть 
            Подбор запчастей Подножка центральная Кузов/электрика Crox 125 SYM
Смотреть 
            Подбор запчастей Подножки Кузов/Электрика Orbit 125 (AV12W-6 ABA) Orbit 125 SYM
Смотреть 
            Подбор запчастей Подножки Кузов/Электрика VS 150 (HV15WA-6 2) VS 150 SYM
Смотреть 
            Подбор запчастей Крышка вариатора Двигатель ATV 200 SYM
СмотретьДоставка
 
             
             
             
             
             
             
             
             
             
             
             
             
             
             
             
             
            