Ссылка скопирована
Ссылка не скопирована
Арт. 100102933-0011

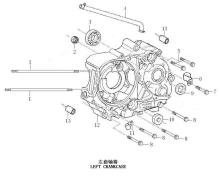
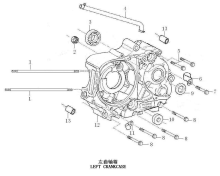
Картер двигателя левый, арт. 100102933-0011

Основные характеристики

Тип товара Картер
Модель Unknown
Производитель BSE parts

Компания Velocity предлагает приобрести Картер двигателя левый BSE производства BSE parts. Для проверки совместимости рекомендуем воспользоваться нашим сервисом подбора запчастей. Стоимость Картер двигателя левый BSE составляет 1 999 руб. без учета доставки. Осуществляем обмен или возврат товара в течение 14 дней с момента покупки.

100102933-0011

Оставить отзыв
Оценка
Данные указаны неверно, пожалуйста, проверьте правильность информации
Подбор запчастей Левый картер FH125 П/АКПП Двигатели
Подбор запчастей Левый картер FH125 П/АКПП Двигатели
Смотреть

Аналогичные товары

В наличии
Арт. 1050301-072000 Звезда ведущая 520x13T TYX BSE TYX300 0 отзывов
571₽
  • Применяемость TYX300-2
В наличии
Арт. 1050701-074000 Сцепление в сборе TYX300 BSE TYX300 3 отзыва
6 430₽
  • Применяемость TYX300-2
В наличии
Арт. 1050301-060000 Звезда ведущая 520x13T TYX BSE TYX300 1 отзыв
542₽
  • Применяемость TYX300-2
В наличии
Арт. 30.153.0020 Наконечник глушителя 1.085.1040 (30.155.0560) BSE Z4; Z5; Z5Y; Z6; Z6Y Z10 0 отзывов
299₽
  • Применяемость Z10 4V250 21/18 2020, Z4 250 21/18, Z5 250 21/18
В наличии
Арт. 1051601-150000 Прокладка цилиндра BSE TYX300 0 отзывов
132₽
  • Применяемость TYX300-2
В наличии
Арт. 100134058 Поршень BSE ZS172FMM-6(CB250R) 0 отзывов
1 906₽
  • Применяемость ZS172FMM-6(CB250R) MJBS4B14
В наличии
Арт. 4051212-006001 Ротор генератора с муфтой TYX300 BSE TYX300 0 отзывов
3 978₽
  • Применяемость TYX300-2
В наличии
Арт. XTG_1.016.0190 Карбюратор DENI PZ30 BSE PH 125 PH 150 MX 0 отзывов
3 902₽
  • Применяемость PH10 125E 17/14, PH10 150E 17/14, MX 125 17/14
В наличии
Арт. 30.505.0120 Ручка газа Nibbi BSE Z5 0 отзывов
1 470₽
  • Применяемость Z5 250 21/18
Скидка
В наличии
Арт. XTG_1.059.0300 ЦПГ 300cc D=84мм h=51mm BIG BORE (БИГБОР) BSE ZS177MM RTC 300R 1 отзыв
26 384₽ - 28%
19 089₽
  • Применяемость ZS177MM NC250, RTC 300R, ZS177MM NC300