Детское велокресло Thule RideAlong Mini Dark Grey, черный, арт. 100103






Самовывоз...
Доставка...
Доставка
Основные характеристики
Особенности:
+ Универсальная быстросъемная опора, которая подходит для обычных и выносных кронштейнов, позволяет устанавливать сиденье на велосипед и снимать с него за считанные секунды
+ Максимальный комфорт и безопасность благодаря регулируемому 5-точечному ремню безопасности с подкладкой
+ Пряжка с большими кнопками, оснащенная защитой от детей, позволяет быстро и легко зафиксировать ребенка
+ Адаптируется к параметрам ребенка по мере его роста и обеспечивает идеальную посадку благодаря фиксирующим ремням и опорам для ног, которые регулируются одной рукой
+ Во время езды ребенок может держаться за удобную ручку
+ Съемная водонепроницаемая прокладка подходит для машинной стирки; прокладка двусторонняя, две стороны оформлены разным цветом.
+ Разработано и протестировано для детей от 9 месяцев* до 3 лет, весом до 15 кг. (*Обратитесь к педиатру, если ребенку менее 1 года).

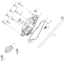
Подбор запчастей Правая крышка двигателя ZS194MQ (NC450) Двигатели
Смотреть
Подбор запчастей Крышка генератора ZS194MQ (NC450) Двигатели
Смотреть
Подбор запчастей Крышка сцепления ZS194MQ (NC450) Двигатели
Смотреть
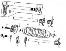
Подбор запчастей КПП в сборе ZS194MQ (NC450) Двигатели
Смотреть
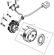
Подбор запчастей Шестерни коленвала и балансировочного вала ZS194MQ (NC450) Двигатели
Смотреть
Подбор запчастей Фильтра ZS194MQ (NC450) Двигатели
Смотреть
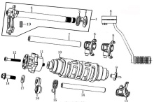
Подбор запчастей Привод копирного вала ZS194MQ (NC450) Двигатели
Смотреть
Подбор запчастей Шестерни сцепления и обгонной муфты ZS194MQ (NC450) Двигатели
Смотреть
Подбор запчастей Сцепление ZS194MQ (NC450) Двигатели
Смотреть
Подбор запчастей Крепление карбюратора ZS194MQ (NC450) Двигатели
Смотреть
Подбор запчастей Звезда ведущая ZS194MQ (NC450) Двигатели
Смотреть
Подбор запчастей Левая крышка картера ZS1P62YML-2 (W190) Двигатели
Смотреть
Подбор запчастей Сцепление ZS1P62YML-2 (W190) Двигатели
Смотреть
Подбор запчастей Левая половина картера ZS1P62YML-2 (W190) Двигатели
Смотреть
Подбор запчастей Вал КПП ZS1P62YML-2 (W190) Двигатели
Смотреть
Подбор запчастей Механизм переключения передач ZS1P62YML-2 (W190) Двигатели
Смотреть![Подбор запчастей Крышка картера ZS161FMJ (CB150D) [30.121.0018] Двигатели](/upload/resize_cache/iblock/be0/kr6qgrymqwiod8z6oh8895otlojk0433/220_300_140cd750bba9870f18aada2478b24840a/CRANKCASE_COVER.jpg?v=1759947844)
Подбор запчастей Крышка картера ZS161FMJ (CB150D) [30.121.0018] Двигатели
Смотреть![Подбор запчастей Масляный насос и фильтр ZS161FMJ (CB150D) [30.121.0018] Двигатели](/upload/resize_cache/iblock/cfb/x6ttd2o1u64wfnm3iu6vswwq7thavahp/220_300_140cd750bba9870f18aada2478b24840a/5c2ee3b5d140a649d796124e67794bfd.png?v=1720466558)
Подбор запчастей Масляный насос и фильтр ZS161FMJ (CB150D) [30.121.0018] Двигатели
Смотреть![Подбор запчастей Картер ZS161FMJ (CB150D) [30.121.0018] Двигатели](/upload/resize_cache/iblock/298/fd2g8fm6c7tc5kdksl265i5fxvzv5zv7/220_300_140cd750bba9870f18aada2478b24840a/948a554fc43a2dbcdc664c966339d7a4.png?v=1753818732)
Подбор запчастей Картер ZS161FMJ (CB150D) [30.121.0018] Двигатели
Смотреть![Подбор запчастей Вал КПП ZS161FMJ (CB150D) [30.121.0018] Двигатели](/upload/resize_cache/iblock/f83/4mcnsugnq01ztmk3vzedt5kmpnt09duk/220_300_140cd750bba9870f18aada2478b24840a/0060e7ab5b45a244d1a27b027b58039e.png?v=1720471961)
Подбор запчастей Вал КПП ZS161FMJ (CB150D) [30.121.0018] Двигатели
Смотреть![Подбор запчастей Механизм переключения передач ZS161FMJ (CB150D) [30.121.0018] Двигатели](/upload/resize_cache/iblock/797/5jlrrn5l4jh6feei9h6dybr3wf0ccyfl/220_300_140cd750bba9870f18aada2478b24840a/a0sn36qmi1ayn7rd665io3td0sbl0fdd.png?v=1692023743)
Подбор запчастей Механизм переключения передач ZS161FMJ (CB150D) [30.121.0018] Двигатели
Смотреть![Подбор запчастей Стартер ZS161FMJ (CB150D) [30.121.0018] Двигатели](/upload/resize_cache/iblock/990/c4nzozkvmeo5bvcuxxkznvwkzlw7iaub/220_300_140cd750bba9870f18aada2478b24840a/23qc3dnttukikwwxvtmqbpmuz4ac2znr.png?v=1692021085)
Подбор запчастей Стартер ZS161FMJ (CB150D) [30.121.0018] Двигатели
Смотреть![Подбор запчастей Крышка двигателя правая ZS154FMI-5 (ZD125D) [30.114.0306] Двигатели](/upload/resize_cache/iblock/712/gpw2qgnk04x3v55tp461fdq3h650kch4/220_300_140cd750bba9870f18aada2478b24840a/c5622045068878f41e4e390b8f1672ec.png?v=1759950084)
Подбор запчастей Крышка двигателя правая ZS154FMI-5 (ZD125D) [30.114.0306] Двигатели
Смотреть![Подбор запчастей Крышки двигателя левые ZS154FMI-5 (ZD125D) [30.114.0306] Двигатели](/upload/resize_cache/iblock/b01/kneallxa1kerji6wbx365k6e2i6il3t7/220_300_140cd750bba9870f18aada2478b24840a/72a66979175273e38bda2b64fab40c07.png?v=1759948921)
Подбор запчастей Крышки двигателя левые ZS154FMI-5 (ZD125D) [30.114.0306] Двигатели
Смотреть![Подбор запчастей Сцепление ZS154FMI-5 (ZD125D) [30.114.0306] Двигатели](/upload/resize_cache/iblock/8a1/em1fvdd5p3kyoitd06na0bc4o1j8fj7m/220_300_140cd750bba9870f18aada2478b24840a/2b86f77e50705f792671d91663faec27.png?v=1759949244)
Подбор запчастей Сцепление ZS154FMI-5 (ZD125D) [30.114.0306] Двигатели
Смотреть![Подбор запчастей Редуктор ZS154FMI-5 (ZD125D) [30.114.0306] Двигатели](/upload/resize_cache/iblock/71a/1pfqwxn3b909uwwioejuqv01bfcd3udy/220_300_140cd750bba9870f18aada2478b24840a/4e653305d1824203ef3915a0e4118b0f.png?v=1759952724)
Подбор запчастей Редуктор ZS154FMI-5 (ZD125D) [30.114.0306] Двигатели
Смотреть![Подбор запчастей Механизм переключения передач ZS154FMI-5 (ZD125D) [30.114.0306] Двигатели](/upload/resize_cache/iblock/2af/qealq1xkw61nqa1isot8trwy71a11s9u/220_300_140cd750bba9870f18aada2478b24840a/6ff3b949ed693b68a85e865d031a0fd8.png?v=1759952243)
Подбор запчастей Механизм переключения передач ZS154FMI-5 (ZD125D) [30.114.0306] Двигатели
Смотреть![Подбор запчастей Генератор ZS154FMI-5 (ZD125D) [30.114.0306] Двигатели](/upload/resize_cache/iblock/42a/g5qobrjg2r84nk5tdzge6d9qcwxsrhyb/220_300_140cd750bba9870f18aada2478b24840a/bb48bca99069067b7cd9d6ee44683fd6.png?v=1759949479)
Подбор запчастей Генератор ZS154FMI-5 (ZD125D) [30.114.0306] Двигатели
Смотреть![Подбор запчастей Стартёр ZS154FMI-5 (ZD125D) [30.114.0306] Двигатели](/upload/resize_cache/iblock/177/vbsg1w4hnnge8cjl5rz976b15hupt89j/220_300_140cd750bba9870f18aada2478b24840a/43a2d480bd299cac95a07b92f60b7f50.png?v=1759949615)
Подбор запчастей Стартёр ZS154FMI-5 (ZD125D) [30.114.0306] Двигатели
Смотреть
Подбор запчастей ГРМ ZS172FMM-6 (CB250-R) Двигатели
Смотреть
Подбор запчастей КРЫШКИ КАРТЕРА ZS172FMM-6 (CB250-R) Двигатели
Смотреть
Подбор запчастей СЦЕПЛЕНИЕ ZS172FMM-6 (CB250-R) Двигатели
Смотреть
Подбор запчастей МАСЛЯНЫЙ НАСОС/МАСЛЯНЫЙ ФИЛЬТР ZS172FMM-6 (CB250-R) Двигатели
Смотреть
Подбор запчастей КАРТЕР ZS172FMM-6 (CB250-R) Двигатели
Смотреть
Подбор запчастей КПП ZS172FMM-6 (CB250-R) Двигатели
Смотреть
Подбор запчастей МЕХАНИЗМ ПЕРЕКЛЮЧЕНИЯ ПЕРЕДАЧ ZS172FMM-6 (CB250-R) Двигатели
Смотреть
Подбор запчастей ГЕНЕРАТОР ZS172FMM-6 (CB250-R) Двигатели
Смотреть
Подбор запчастей СТАРТЁР ZS172FMM-6 (CB250-R) Двигатели
Смотреть
Подбор запчастей Крышки картера ZS172FMM-3A (CB250-F) Двигатели
Смотреть
Подбор запчастей Сцепление ZS172FMM-3A (CB250-F) Двигатели
Смотреть
Подбор запчастей Фильтр масляный ZS172FMM-3A (CB250-F) Двигатели
Смотреть
Подбор запчастей Картер двигателя ZS172FMM-3A (CB250-F) Двигатели
Смотреть
Подбор запчастей КПП ZS172FMM-3A (CB250-F) Двигатели
Смотреть
Подбор запчастей Механизм переключения ZS172FMM-3A (CB250-F) Двигатели
Смотреть
Подбор запчастей Стартер ZS172FMM-3A (CB250-F) Двигатели
Смотреть
Подбор запчастей Клапан рециркуляции ZS172FMM-3A (CB250-F) Двигатели
Смотреть
Подбор запчастей Правая крышка Картера ZS194MQ (NC450) #2 Двигатели
Смотреть
Подбор запчастей Левая крышка Картера ZS194MQ (NC450) #2 Двигатели
Смотреть
Подбор запчастей Сцепление в сборе ZS194MQ (NC450) #2 Двигатели
Смотреть
Подбор запчастей Левый Картер ZS194MQ (NC450) #2 Двигатели
Смотреть
Подбор запчастей Коленвал ZS194MQ (NC450) #2 Двигатели
Смотреть
Подбор запчастей Трансмиссия ZS194MQ (NC450) #2 Двигатели
Смотреть
Подбор запчастей Механизм переключения передач ZS194MQ (NC450) #2 Двигатели
Смотреть
Подбор запчастей Электростартер ZS194MQ (NC450) #2 Двигатели
Смотреть
Подбор запчастей Сцепление в сборе FH125 П/АКПП Двигатели
Смотреть
Подбор запчастей Трансмиссия FH125 П/АКПП Двигатели
Смотреть
Подбор запчастей Механизм переключения передач FH125 П/АКПП Двигатели
Смотреть
Подбор запчастей Правая крышка Картера ZS194MQ (NC450) #1 Двигатели
Смотреть
Подбор запчастей Левая крышка Картера ZS194MQ (NC450) #1 Двигатели
Смотреть
Подбор запчастей Сцепление в сборе ZS194MQ (NC450) #1 Двигатели
Смотреть
Подбор запчастей Левый Картер ZS194MQ (NC450) #1 Двигатели
Смотреть
Подбор запчастей Коленвал ZS194MQ (NC450) #1 Двигатели
Смотреть
Подбор запчастей Трансмиссия ZS194MQ (NC450) #1 Двигатели
Смотреть
Подбор запчастей Механизм переключения передач ZS194MQ (NC450) #1 Двигатели
Смотреть
Подбор запчастей Электростартер ZS194MQ (NC450) #1 Двигатели
Смотреть
Подбор запчастей Кикстартер ZS194MQ (NC450) #1 Двигатели
Смотреть
Подбор запчастей Крышки картера ZS175FMM-3A (CB300) Двигатели
Смотреть
Подбор запчастей Сцепление ZS175FMM-3A (CB300) Двигатели
Смотреть
Подбор запчастей Фильтр масляный ZS175FMM-3A (CB300) Двигатели
Смотреть
Подбор запчастей Картер двигателя ZS175FMM-3A (CB300) Двигатели
Смотреть
Подбор запчастей КПП ZS175FMM-3A (CB300) Двигатели
Смотреть
Подбор запчастей Механизм переключения передач ZS175FMM-3A (CB300) Двигатели
Смотреть
Подбор запчастей Стартер ZS175FMM-3A (CB300) Двигатели
Смотреть
Подбор запчастей Клапан рециркуляции ZS175FMM-3A (CB300) Двигатели
Смотреть
Подбор запчастей ГРМ ZS172FMM-7 (CB250RL) MJZBS4D06 Двигатели
Смотреть
Подбор запчастей Крышки Картера ZS172FMM-7 (CB250RL) MJZBS4D06 Двигатели
Смотреть
Подбор запчастей Сцепление в сборе ZS172FMM-7 (CB250RL) MJZBS4D06 Двигатели
Смотреть
Подбор запчастей Масленный фильтр и насос ZS172FMM-7 (CB250RL) MJZBS4D06 Двигатели
Смотреть
Подбор запчастей Трансмиссия ZS172FMM-7 (CB250RL) MJZBS4D06 Двигатели
Смотреть
Подбор запчастей КПП ZS172FMM-7 (CB250RL) MJZBS4D06 Двигатели
Смотреть
Подбор запчастей Магнето ZS172FMM-7 (CB250RL) MJZBS4D06 Двигатели
Смотреть
Подбор запчастей Электростартер ZS172FMM-7 (CB250RL) MJZBS4D06 Двигатели
Смотреть
Подбор запчастей КРЫШКА КАРТЕРА ЛЕВАЯ ZS174MN-5 (NB300) Двигатели
Смотреть
Подбор запчастей КРЫШКА КАРТЕРА ПРАВАЯ ZS174MN-5 (NB300) Двигатели
Смотреть
Подбор запчастей СЦЕПЛЕНИЕ В СБОРЕ ZS174MN-5 (NB300) Двигатели
Смотреть
Подбор запчастей КАРТЕР ZS174MN-5 (NB300) Двигатели
Смотреть
Подбор запчастей ШАТУН КОЛЕНЧАТОГО ВАЛА / ПОРШЕНЬ ZS174MN-5 (NB300) Двигатели
Смотреть
Подбор запчастей ГЛАВНАЯ ТРАНСМИССИЯ, ВРАЩАЮЩИЙ ВАЛ ZS174MN-5 (NB300) Двигатели
Смотреть
Подбор запчастей МЕХАНИЗМ ПЕРЕКЛЮЧЕНИЯ ПЕРЕДАЧ ZS174MN-5 (NB300) Двигатели
Смотреть
Подбор запчастей МАГНЕТО ZS174MN-5 (NB300) Двигатели
Смотреть
Подбор запчастей ЭЛЕКТРОСТАРТЕР ZS174MN-5 (NB300) Двигатели
Смотреть
Подбор запчастей Расходники Z9 (101360036) Z9 BSE
Смотреть
Подбор запчастей Расходники М8 (101330011) с 2020 M8 BSE
Смотреть
Подбор запчастей Расходники M8 BSE
Смотреть
Подбор запчастей Расходники Z10L (J10) 2022 (101270019) Z10L BSE
Смотреть
Подбор запчастей Правая крышка картера ZS182MN (NC300S) Двигатели
Смотреть
Подбор запчастей Левая крышка картера ZS182MN (NC300S) Двигатели
Смотреть
Подбор запчастей Сцепление в сборе ZS182MN (NC300S) Двигатели
Смотреть
Подбор запчастей Коленвал и поршень ZS182MN (NC300S) Двигатели
Смотреть
Подбор запчастей Трансмиссия ZS182MN (NC300S) Двигатели
Смотреть
Подбор запчастей Кикстартер ZS182MN (NC300S) Двигатели
Смотреть
Подбор запчастей КПП ZS182MN (NC300S) Двигатели
Смотреть
Подбор запчастей Электростартер ZS182MN (NC300S) Двигатели
Смотреть
Подбор запчастей Расходники Z5 (101360034, 101360035) Z5 BSE
Смотреть
Подбор запчастей Расходники Z6 (101280016) Z6 BSE
Смотреть
Подбор запчастей Расходники Z6 (101280017) Z6 BSE
Смотреть
Подбор запчастей Расходники Z10 BSE
Смотреть
Подбор запчастей Расходники Z10 BSE
Смотреть![Подбор запчастей Левая крышка картера ZS1P44FMC (ZL60) [30.110.0207] Двигатели](/upload/resize_cache/iblock/838/ig7px1jhbdahonj6hv6aq7qgvvvursv0/220_300_140cd750bba9870f18aada2478b24840a/ZS1P44FMC_ZL60_301100207_5.png?v=1759954337)
Подбор запчастей Левая крышка картера ZS1P44FMC (ZL60) [30.110.0207] Двигатели
Смотреть![Подбор запчастей Сцепление в сборе ZS1P44FMC (ZL60) [30.110.0207] Двигатели](/upload/resize_cache/iblock/bfe/1ompnye88i3j8yvj2zisrr4hbkak7wsy/220_300_140cd750bba9870f18aada2478b24840a/ZS1P44FMC_ZL60_301100207_6.png?v=1759954337)
Подбор запчастей Сцепление в сборе ZS1P44FMC (ZL60) [30.110.0207] Двигатели
Смотреть![Подбор запчастей Левый картер ZS1P44FMC (ZL60) [30.110.0207] Двигатели](/upload/resize_cache/iblock/db1/tkkbkoa59kbp1e8bs7me70d30c1y5nb1/220_300_140cd750bba9870f18aada2478b24840a/ZS1P44FMC_ZL60_301100207_7.png?v=1759947981)
Подбор запчастей Левый картер ZS1P44FMC (ZL60) [30.110.0207] Двигатели
Смотреть![Подбор запчастей Крышки двигателя левые ZS154FMI-2 (BS125) [30.114.2459] Двигатели](/upload/resize_cache/iblock/fd0/hd9hdgeri8b3s37d4qzpxo5ehwp0h78i/220_300_140cd750bba9870f18aada2478b24840a/65fb83f159e023e22b252d4de96c6688.png?v=1715766745)
Подбор запчастей Крышки двигателя левые ZS154FMI-2 (BS125) [30.114.2459] Двигатели
Смотреть![Подбор запчастей Сцепление ZS154FMI-2 (BS125) [30.114.2459] Двигатели](/upload/resize_cache/iblock/5ff/tnat2i8q1i5tvbsasfhne005nx4k2ojq/220_300_140cd750bba9870f18aada2478b24840a/0ddb66e97d9ab27a04589a6944670d18.png?v=1715766696)
Подбор запчастей Сцепление ZS154FMI-2 (BS125) [30.114.2459] Двигатели
Смотреть![Подбор запчастей Редуктор ZS154FMI-2 (BS125) [30.114.2459] Двигатели](/upload/resize_cache/iblock/0ad/io3poxyjyetgqo73zyfwpe240vmvtlz6/220_300_140cd750bba9870f18aada2478b24840a/ce4c93b8ec4d6753c797e4c35b2ae709.png?v=1715766722)
Подбор запчастей Редуктор ZS154FMI-2 (BS125) [30.114.2459] Двигатели
Смотреть![Подбор запчастей Механизм переключения передач ZS154FMI-2 (BS125) [30.114.2459] Двигатели](/upload/resize_cache/iblock/47b/r4qmrihrgkq18r9dj2toih97c28w9jaf/220_300_140cd750bba9870f18aada2478b24840a/e5d2746778c8d14fe13245a485f7bfb1.png?v=1715766722)
Подбор запчастей Механизм переключения передач ZS154FMI-2 (BS125) [30.114.2459] Двигатели
Смотреть![Подбор запчастей Стартёр ZS154FMI-2 (BS125) [30.114.2459] Двигатели](/upload/resize_cache/iblock/96a/x0yqe38itqvnb3yj3a99m730bobniije/220_300_140cd750bba9870f18aada2478b24840a/f74b6a50f76204c7902337587d5afc1c.png?v=1715766722)
Подбор запчастей Стартёр ZS154FMI-2 (BS125) [30.114.2459] Двигатели
Смотреть![Подбор запчастей Сцепление ZS154FMI-2 (S125-S) [30.114.4071] Двигатели](/upload/resize_cache/iblock/c47/05o7zgpqb09l3m740ce3cjpro5ks8qmu/220_300_140cd750bba9870f18aada2478b24840a/839fc3bf084b06cca8fda1d399e75e99.png?v=1715797639)
Подбор запчастей Сцепление ZS154FMI-2 (S125-S) [30.114.4071] Двигатели
Смотреть![Подбор запчастей Редуктор ZS154FMI-2 (S125-S) [30.114.4071] Двигатели](/upload/resize_cache/iblock/512/75p1rg3gac3zmdo2buekncx3o703zaiv/220_300_140cd750bba9870f18aada2478b24840a/424e037af3a9f343b5099f2b0f1b5662.png?v=1715804760)
Подбор запчастей Редуктор ZS154FMI-2 (S125-S) [30.114.4071] Двигатели
Смотреть![Подбор запчастей Механизм переключения передач ZS154FMI-2 (S125-S) [30.114.4071] Двигатели](/upload/resize_cache/iblock/f07/wqq80md67xsdpb11msmjveomg0037a9i/220_300_140cd750bba9870f18aada2478b24840a/870e3bf0ea60364e5a81da05a6a3ef9e.png?v=1715777727)
Подбор запчастей Механизм переключения передач ZS154FMI-2 (S125-S) [30.114.4071] Двигатели
Смотреть![Подбор запчастей Крышки картера ZS165FMM (CB250D-G) [30.123.0512] Двигатели](/upload/resize_cache/iblock/6df/k8ng962etp03ugdvh7grkjnl135l0ng8/220_300_140cd750bba9870f18aada2478b24840a/ZS165FMM_CB250D_G_301230512_3.png?v=1759947529)
Подбор запчастей Крышки картера ZS165FMM (CB250D-G) [30.123.0512] Двигатели
Смотреть![Подбор запчастей Масляный насос ZS165FMM (CB250D-G) [30.123.0512] Двигатели](/upload/resize_cache/iblock/5b8/oz2dxe0tr9lndmv6sgd4la0isz2cbgtr/220_300_140cd750bba9870f18aada2478b24840a/ZS165FMM_CB250D_G_301230512_5.png?v=1759952236)
Подбор запчастей Масляный насос ZS165FMM (CB250D-G) [30.123.0512] Двигатели
Смотреть![Подбор запчастей Механизм передачи ZS165FMM (CB250D-G) [30.123.0512] Двигатели](/upload/resize_cache/iblock/b8f/mp7jjn0msfci3778bxwv6d5xwc5ltvm7/220_300_140cd750bba9870f18aada2478b24840a/ZS165FMM_CB250D_G_301230512_8.png?v=1759951699)
Подбор запчастей Механизм передачи ZS165FMM (CB250D-G) [30.123.0512] Двигатели
Смотреть![Подбор запчастей КПП ZS165FMM (CB250D-G) [30.123.0512] Двигатели](/upload/resize_cache/iblock/9ea/0o17ydqjdnhrjlpx07ewxlhfe6hhbmko/220_300_140cd750bba9870f18aada2478b24840a/ZS165FMM_CB250D_G_301230512_9.png?v=1759950252)
Подбор запчастей КПП ZS165FMM (CB250D-G) [30.123.0512] Двигатели
Смотреть![Подбор запчастей Электростартер ZS165FMM (CB250D-G) [30.123.0512] Двигатели](/upload/resize_cache/iblock/495/6gwhswefhsezqwhxdjvgnres5tl7o1fm/220_300_140cd750bba9870f18aada2478b24840a/ZS165FMM_CB250D_G_301230512_11.png?v=1759948383)
Подбор запчастей Электростартер ZS165FMM (CB250D-G) [30.123.0512] Двигатели
Смотреть![Подбор запчастей Крышки картера ZS172FMM-3A (CB250-F) [30.123.1500] 147 Двигатели](/upload/resize_cache/iblock/c39/vehfhhxivxqqcon0un1nci4sc3dr15xi/220_300_140cd750bba9870f18aada2478b24840a/ZS172FMM_3A_CB250_F_301231500_3.png?v=1716211811)
Подбор запчастей Крышки картера ZS172FMM-3A (CB250-F) [30.123.1500] 147 Двигатели
Смотреть![Подбор запчастей Сцепление в сборе ZS172FMM-3A (CB250-F) [30.123.1500] 147 Двигатели](/upload/resize_cache/iblock/478/v9803rmgdoen3i2u8p9wetnrhg1v1uqt/220_300_140cd750bba9870f18aada2478b24840a/ZS172FMM_3A_CB250_F_301231500_4.png?v=1716211801)
Подбор запчастей Сцепление в сборе ZS172FMM-3A (CB250-F) [30.123.1500] 147 Двигатели
Смотреть![Подбор запчастей Масляный насос / фильтр ZS172FMM-3A (CB250-F) [30.123.1500] 147 Двигатели](/upload/resize_cache/iblock/8c6/qcass6oh0ili8c233y55uucc3csr41rf/220_300_140cd750bba9870f18aada2478b24840a/ZS172FMM_3A_CB250_F_301231500_5.png?v=1716211794)
Подбор запчастей Масляный насос / фильтр ZS172FMM-3A (CB250-F) [30.123.1500] 147 Двигатели
Смотреть![Подбор запчастей Картер ZS172FMM-3A (CB250-F) [30.123.1500] 147 Двигатели](/upload/resize_cache/iblock/314/budzsy1hd8dqvt25cbzz2yeudmtl5iph/220_300_140cd750bba9870f18aada2478b24840a/ZS172FMM_3A_CB250_F_301231500_6.png?v=1716211794)
Подбор запчастей Картер ZS172FMM-3A (CB250-F) [30.123.1500] 147 Двигатели
Смотреть![Подбор запчастей Трансмиссия ZS172FMM-3A (CB250-F) [30.123.1500] 147 Двигатели](/upload/resize_cache/iblock/e6c/4zzn7l5gbsfxszsa1lx9rxf2tnfpq3m9/220_300_140cd750bba9870f18aada2478b24840a/ZS172FMM_3A_CB250_F_301231500_8.png?v=1716211794)
Подбор запчастей Трансмиссия ZS172FMM-3A (CB250-F) [30.123.1500] 147 Двигатели
Смотреть![Подбор запчастей КПП ZS172FMM-3A (CB250-F) [30.123.1500] 147 Двигатели](/upload/resize_cache/iblock/13a/9jqt96qmr92dx33t7xbaixy2sbubegwq/220_300_140cd750bba9870f18aada2478b24840a/ZS172FMM_3A_CB250_F_301231500_9.png?v=1716211799)
Подбор запчастей КПП ZS172FMM-3A (CB250-F) [30.123.1500] 147 Двигатели
Смотреть![Подбор запчастей Электростартер ZS172FMM-3A (CB250-F) [30.123.1500] 147 Двигатели](/upload/resize_cache/iblock/ad9/enj7r78sf9yicmx6zsfeaj3sxxrm96l7/220_300_140cd750bba9870f18aada2478b24840a/ZS172FMM_3A_CB250_F_301231500_11.png?v=1716211811)
Подбор запчастей Электростартер ZS172FMM-3A (CB250-F) [30.123.1500] 147 Двигатели
Смотреть![Подбор запчастей Выхлопная система ZS172FMM-3A (CB250-F) [30.123.1500] 147 Двигатели](/upload/resize_cache/iblock/64f/9gzicv12jjfh4d6mxvoxkrjnqg3g10ct/220_300_140cd750bba9870f18aada2478b24840a/ZS172FMM_3A_CB250_F_301231500_13.png?v=1716211800)
Подбор запчастей Выхлопная система ZS172FMM-3A (CB250-F) [30.123.1500] 147 Двигатели
Смотреть![Подбор запчастей Крышки картера ZS172FMM-3A (CB250-F) [30.123.1600] 157 Двигатели](/upload/resize_cache/iblock/c39/vehfhhxivxqqcon0un1nci4sc3dr15xi/220_300_140cd750bba9870f18aada2478b24840a/ZS172FMM_3A_CB250_F_301231500_3.png?v=1716211811)
Подбор запчастей Крышки картера ZS172FMM-3A (CB250-F) [30.123.1600] 157 Двигатели
Смотреть![Подбор запчастей Сцепление в сборе ZS172FMM-3A (CB250-F) [30.123.1600] 157 Двигатели](/upload/resize_cache/iblock/478/v9803rmgdoen3i2u8p9wetnrhg1v1uqt/220_300_140cd750bba9870f18aada2478b24840a/ZS172FMM_3A_CB250_F_301231500_4.png?v=1716211801)
Подбор запчастей Сцепление в сборе ZS172FMM-3A (CB250-F) [30.123.1600] 157 Двигатели
Смотреть![Подбор запчастей Масляный насос / фильтр ZS172FMM-3A (CB250-F) [30.123.1600] 157 Двигатели](/upload/resize_cache/iblock/8c6/qcass6oh0ili8c233y55uucc3csr41rf/220_300_140cd750bba9870f18aada2478b24840a/ZS172FMM_3A_CB250_F_301231500_5.png?v=1716211794)
Подбор запчастей Масляный насос / фильтр ZS172FMM-3A (CB250-F) [30.123.1600] 157 Двигатели
Смотреть![Подбор запчастей Картер ZS172FMM-3A (CB250-F) [30.123.1600] 157 Двигатели](/upload/resize_cache/iblock/314/budzsy1hd8dqvt25cbzz2yeudmtl5iph/220_300_140cd750bba9870f18aada2478b24840a/ZS172FMM_3A_CB250_F_301231500_6.png?v=1716211794)
Подбор запчастей Картер ZS172FMM-3A (CB250-F) [30.123.1600] 157 Двигатели
Смотреть![Подбор запчастей Трансмиссия ZS172FMM-3A (CB250-F) [30.123.1600] 157 Двигатели](/upload/resize_cache/iblock/e6c/4zzn7l5gbsfxszsa1lx9rxf2tnfpq3m9/220_300_140cd750bba9870f18aada2478b24840a/ZS172FMM_3A_CB250_F_301231500_8.png?v=1716211794)
Подбор запчастей Трансмиссия ZS172FMM-3A (CB250-F) [30.123.1600] 157 Двигатели
Смотреть![Подбор запчастей КПП ZS172FMM-3A (CB250-F) [30.123.1600] 157 Двигатели](/upload/resize_cache/iblock/13a/9jqt96qmr92dx33t7xbaixy2sbubegwq/220_300_140cd750bba9870f18aada2478b24840a/ZS172FMM_3A_CB250_F_301231500_9.png?v=1716211799)
Подбор запчастей КПП ZS172FMM-3A (CB250-F) [30.123.1600] 157 Двигатели
Смотреть![Подбор запчастей Электростартер ZS172FMM-3A (CB250-F) [30.123.1600] 157 Двигатели](/upload/resize_cache/iblock/ad9/enj7r78sf9yicmx6zsfeaj3sxxrm96l7/220_300_140cd750bba9870f18aada2478b24840a/ZS172FMM_3A_CB250_F_301231500_11.png?v=1716211811)
Подбор запчастей Электростартер ZS172FMM-3A (CB250-F) [30.123.1600] 157 Двигатели
Смотреть![Подбор запчастей Выхлопная система ZS172FMM-3A (CB250-F) [30.123.1600] 157 Двигатели](/upload/resize_cache/iblock/64f/9gzicv12jjfh4d6mxvoxkrjnqg3g10ct/220_300_140cd750bba9870f18aada2478b24840a/ZS172FMM_3A_CB250_F_301231500_13.png?v=1716211800)
Подбор запчастей Выхлопная система ZS172FMM-3A (CB250-F) [30.123.1600] 157 Двигатели
Смотреть![Подбор запчастей МЕХАНИЗМ КЛАПАНА ZS172FMM-6 (CB250R) MJBS4B14 [30.123.2001] Двигатели](/upload/resize_cache/iblock/b6f/chy33qf7ywjkfm7lb25jp12erb959s09/220_300_140cd750bba9870f18aada2478b24840a/ZS172FMM_6_CB250R_MJBS4B14_301232001_2.png?v=1759947779)
Подбор запчастей МЕХАНИЗМ КЛАПАНА ZS172FMM-6 (CB250R) MJBS4B14 [30.123.2001] Двигатели
Смотреть![Подбор запчастей КРЫШКА КАРТЕРА ZS172FMM-6 (CB250R) MJBS4B14 [30.123.2001] Двигатели](/upload/resize_cache/iblock/b59/9hp1it64lixnpznugpxv29ox37dg5wcw/220_300_140cd750bba9870f18aada2478b24840a/ZS172FMM_6_CB250R_MJBS4B14_301232001_3.png?v=1759954338)
Подбор запчастей КРЫШКА КАРТЕРА ZS172FMM-6 (CB250R) MJBS4B14 [30.123.2001] Двигатели
Смотреть![Подбор запчастей СЦЕПЛЕНИЕ В СБОРЕ ZS172FMM-6 (CB250R) MJBS4B14 [30.123.2001] Двигатели](/upload/resize_cache/iblock/0dc/39ci202k7y3darvd3czn3p8lnyb0hh6l/220_300_140cd750bba9870f18aada2478b24840a/ZS172FMM_6_CB250R_MJBS4B14_301232001_4.png?v=1759950306)
Подбор запчастей СЦЕПЛЕНИЕ В СБОРЕ ZS172FMM-6 (CB250R) MJBS4B14 [30.123.2001] Двигатели
Смотреть![Подбор запчастей МАСЛЯНЫЙ НАСОС / МАСЛЯНЫЙ ФИЛЬТР ZS172FMM-6 (CB250R) MJBS4B14 [30.123.2001] Двигатели](/upload/resize_cache/iblock/1c9/b6aoohtzd1hkgnq3mm73hqkpp8xoh11u/220_300_140cd750bba9870f18aada2478b24840a/ZS172FMM_6_CB250R_MJBS4B14_301232001_5.png?v=1759954338)
Подбор запчастей МАСЛЯНЫЙ НАСОС / МАСЛЯНЫЙ ФИЛЬТР ZS172FMM-6 (CB250R) MJBS4B14 [30.123.2001] Двигатели
Смотреть![Подбор запчастей КАРТЕР ZS172FMM-6 (CB250R) MJBS4B14 [30.123.2001] Двигатели](/upload/resize_cache/iblock/afe/g8e8wz58x1vc45k6v4jk201ln3vhnfrv/220_300_140cd750bba9870f18aada2478b24840a/ZS172FMM_6_CB250R_MJBS4B14_301232001_6.png?v=1759948302)
Подбор запчастей КАРТЕР ZS172FMM-6 (CB250R) MJBS4B14 [30.123.2001] Двигатели
Смотреть![Подбор запчастей ГЛАВНАЯ ТРАНСМИССИЯ, ВРАЩАЮЩИЙ ВАЛ ZS172FMM-6 (CB250R) MJBS4B14 [30.123.2001] Двигатели](/upload/resize_cache/iblock/399/jugcjddeouiu5bpf96xtu7du66l79e1i/220_300_140cd750bba9870f18aada2478b24840a/ZS172FMM_6_CB250R_MJBS4B14_301232001_8.png?v=1759948342)
Подбор запчастей ГЛАВНАЯ ТРАНСМИССИЯ, ВРАЩАЮЩИЙ ВАЛ ZS172FMM-6 (CB250R) MJBS4B14 [30.123.2001] Двигатели
Смотреть![Подбор запчастей МЕХАНИЗМ ПЕРЕКЛЮЧЕНИЯ ПЕРЕДАЧ ZS172FMM-6 (CB250R) MJBS4B14 [30.123.2001] Двигатели](/upload/resize_cache/iblock/af7/s2imqduw4ppa8oh9r45i6w9x7i3m61v9/220_300_140cd750bba9870f18aada2478b24840a/ZS172FMM_6_CB250R_MJBS4B14_301232001_9.png?v=1759950252)
Подбор запчастей МЕХАНИЗМ ПЕРЕКЛЮЧЕНИЯ ПЕРЕДАЧ ZS172FMM-6 (CB250R) MJBS4B14 [30.123.2001] Двигатели
Смотреть![Подбор запчастей МАГНЕТО ZS172FMM-6 (CB250R) MJBS4B14 [30.123.2001] Двигатели](/upload/resize_cache/iblock/5bb/7103q2xa1wc5aigfrxnn4pb42tcdmek0/220_300_140cd750bba9870f18aada2478b24840a/ZS172FMM_6_CB250R_MJBS4B14_301232001_10.png?v=1759947157)
Подбор запчастей МАГНЕТО ZS172FMM-6 (CB250R) MJBS4B14 [30.123.2001] Двигатели
Смотреть![Подбор запчастей ЭЛЕКТРОСТАРТЕР ZS172FMM-6 (CB250R) MJBS4B14 [30.123.2001] Двигатели](/upload/resize_cache/iblock/695/vlav4lqefa7ge7f4blysyfwlejb3hucj/220_300_140cd750bba9870f18aada2478b24840a/ZS172FMM_6_CB250R_MJBS4B14_301232001_11.png?v=1759949067)
Подбор запчастей ЭЛЕКТРОСТАРТЕР ZS172FMM-6 (CB250R) MJBS4B14 [30.123.2001] Двигатели
Смотреть![Подбор запчастей ГРМ ZS172FMM-7 (CB250RL) MJBS4D06 [30.123.2502] Двигатели](/upload/resize_cache/iblock/1a8/g9255z8kzzrcbgm1onubw9ej1nvwfrpa/220_300_140cd750bba9870f18aada2478b24840a/ZS172FMM_7_CB250RL_MJBS4D06_301232502_2.png?v=1759950248)
Подбор запчастей ГРМ ZS172FMM-7 (CB250RL) MJBS4D06 [30.123.2502] Двигатели
Смотреть![Подбор запчастей Крышки Картера ZS172FMM-7 (CB250RL) MJBS4D06 [30.123.2502] Двигатели](/upload/resize_cache/iblock/82d/v0wdu0a3j8pb67p3kryuubp5xbsvtvo3/220_300_140cd750bba9870f18aada2478b24840a/ZS172FMM_7_CB250RL_MJBS4D06_301232502_3.png?v=1759948921)
Подбор запчастей Крышки Картера ZS172FMM-7 (CB250RL) MJBS4D06 [30.123.2502] Двигатели
Смотреть![Подбор запчастей Сцепление ZS172FMM-7 (CB250RL) MJBS4D06 [30.123.2502] Двигатели](/upload/resize_cache/iblock/8e0/96qfi1fgu1j1i1tyk9rbon1ws9xqi6qh/220_300_140cd750bba9870f18aada2478b24840a/ZS172FMM_7_CB250RL_MJBS4D06_301232502_4.png?v=1759949905)
Подбор запчастей Сцепление ZS172FMM-7 (CB250RL) MJBS4D06 [30.123.2502] Двигатели
Смотреть![Подбор запчастей Масленный фильтр и насос ZS172FMM-7 (CB250RL) MJBS4D06 [30.123.2502] Двигатели](/upload/resize_cache/iblock/f22/1jg50howcvjxgkwae5ebh5ptlp62a37c/220_300_140cd750bba9870f18aada2478b24840a/ZS172FMM_7_CB250RL_MJBS4D06_301232502_5.png?v=1759948123)
Подбор запчастей Масленный фильтр и насос ZS172FMM-7 (CB250RL) MJBS4D06 [30.123.2502] Двигатели
Смотреть![Подбор запчастей Трансмиссия ZS172FMM-7 (CB250RL) MJBS4D06 [30.123.2502] Двигатели](/upload/resize_cache/iblock/4ab/x40z3t2zbhqdqw91ix7y6uvnsdl8mx6p/220_300_140cd750bba9870f18aada2478b24840a/ZS172FMM_7_CB250RL_MJBS4D06_301232502_8.png?v=1759949525)
Подбор запчастей Трансмиссия ZS172FMM-7 (CB250RL) MJBS4D06 [30.123.2502] Двигатели
Смотреть![Подбор запчастей КПП ZS172FMM-7 (CB250RL) MJBS4D06 [30.123.2502] Двигатели](/upload/resize_cache/iblock/968/4kyixmp5leotqic0q6850xypi9t2dobb/220_300_140cd750bba9870f18aada2478b24840a/ZS172FMM_7_CB250RL_MJBS4D06_301232502_9.png?v=1759948200)
Подбор запчастей КПП ZS172FMM-7 (CB250RL) MJBS4D06 [30.123.2502] Двигатели
Смотреть![Подбор запчастей Магнето ZS172FMM-7 (CB250RL) MJBS4D06 [30.123.2502] Двигатели](/upload/resize_cache/iblock/d76/uo1yfsesxbd7jqk3378i7fxw5hmdv0kv/220_300_140cd750bba9870f18aada2478b24840a/ZS172FMM_7_CB250RL_MJBS4D06_301232502_10.png?v=1759947157)
Подбор запчастей Магнето ZS172FMM-7 (CB250RL) MJBS4D06 [30.123.2502] Двигатели
Смотреть![Подбор запчастей Электростартер ZS172FMM-7 (CB250RL) MJBS4D06 [30.123.2502] Двигатели](/upload/resize_cache/iblock/983/we0gbwdzgjg1c1bnpyb43psbs8xw588x/220_300_140cd750bba9870f18aada2478b24840a/ZS172FMM_7_CB250RL_MJBS4D06_301232502_11.png?v=1759952580)
Подбор запчастей Электростартер ZS172FMM-7 (CB250RL) MJBS4D06 [30.123.2502] Двигатели
Смотреть![Подбор запчастей Правая крышка картера ZS177MM (NC250) [30.123.8109] Двигатели](/upload/resize_cache/iblock/bb4/ibgow63wzcbj372107bq1r0yui0mr355/220_300_140cd750bba9870f18aada2478b24840a/ZS177MM_NC250_301238109_4.png?v=1759947356)
Подбор запчастей Правая крышка картера ZS177MM (NC250) [30.123.8109] Двигатели
Смотреть![Подбор запчастей Левая крышка картера ZS177MM (NC250) [30.123.8109] Двигатели](/upload/resize_cache/iblock/728/xo767z430jpnx00zn65r1k2novo57a5k/220_300_140cd750bba9870f18aada2478b24840a/ZS177MM_NC250_301238109_5.png?v=1759953426)
Подбор запчастей Левая крышка картера ZS177MM (NC250) [30.123.8109] Двигатели
Смотреть![Подбор запчастей Сцепление ZS177MM (NC250) [30.123.8109] Двигатели](/upload/resize_cache/iblock/e85/87cbanok9khqprkllunvnniwk8clxy08/220_300_140cd750bba9870f18aada2478b24840a/ZS177MM_NC250_301238109_6.png?v=1759952635)
Подбор запчастей Сцепление ZS177MM (NC250) [30.123.8109] Двигатели
Смотреть![Подбор запчастей Коленвал / поршень ZS177MM (NC250) [30.123.8109] Двигатели](/upload/resize_cache/iblock/92b/l4mfhks6e75l2uhdm8pjdqr0t4t200yb/220_300_140cd750bba9870f18aada2478b24840a/ZS177MM_NC250_301238109_10.png?v=1759947892)
Подбор запчастей Коленвал / поршень ZS177MM (NC250) [30.123.8109] Двигатели
Смотреть![Подбор запчастей Вал КПП ZS177MM (NC250) [30.123.8109] Двигатели](/upload/resize_cache/iblock/754/3i3bh1c9370wzqfe6061m5wxwjt1qes8/220_300_140cd750bba9870f18aada2478b24840a/ZS177MM_NC250_301238109_11.png?v=1759947798)
Подбор запчастей Вал КПП ZS177MM (NC250) [30.123.8109] Двигатели
Смотреть![Подбор запчастей Кикстартер ZS177MM (NC250) [30.123.8109] Двигатели](/upload/resize_cache/iblock/269/8f1cx9o37vupcrt3r00l6i5vj5ji11w1/220_300_140cd750bba9870f18aada2478b24840a/ZS177MM_NC250_301238109_12.png?v=1759949525)
Подбор запчастей Кикстартер ZS177MM (NC250) [30.123.8109] Двигатели
Смотреть![Подбор запчастей Механизм переключения передач ZS177MM (NC250) [30.123.8109] Двигатели](/upload/resize_cache/iblock/1f7/e1echlq1vw8d2mdncia5qprn9afjrxdk/220_300_140cd750bba9870f18aada2478b24840a/ZS177MM_NC250_301238109_13.png?v=1759948259)
Подбор запчастей Механизм переключения передач ZS177MM (NC250) [30.123.8109] Двигатели
Смотреть![Подбор запчастей Стартер ZS177MM (NC250) [30.123.8109] Двигатели](/upload/resize_cache/iblock/a6b/j1xgri0lttvd63fyjvoaz1ewstr87k9o/220_300_140cd750bba9870f18aada2478b24840a/ZS177MM_NC250_301238109_15.png?v=1759947779)
Подбор запчастей Стартер ZS177MM (NC250) [30.123.8109] Двигатели
Смотреть![Подбор запчастей КРЫШКА КАРТЕРА ЛЕВАЯ ZS174MN-5 (NB300) [30.124.0600] Двигатели](/upload/resize_cache/iblock/a86/hqxo1uvwidcmlm5gscnflz2tjei1x1to/220_300_140cd750bba9870f18aada2478b24840a/ZS174MN_5_NB300_301240600_4.jpg?v=1759954340)
Подбор запчастей КРЫШКА КАРТЕРА ЛЕВАЯ ZS174MN-5 (NB300) [30.124.0600] Двигатели
Смотреть![Подбор запчастей КРЫШКА КАРТЕРА ПРАВАЯ ZS174MN-5 (NB300) [30.124.0600] Двигатели](/upload/resize_cache/iblock/370/e2gsqlhn9fag5l4pv3jbo1jd0mcfitd2/220_300_140cd750bba9870f18aada2478b24840a/ZS174MN_5_NB300_301240600_5.jpg?v=1759949525)
Подбор запчастей КРЫШКА КАРТЕРА ПРАВАЯ ZS174MN-5 (NB300) [30.124.0600] Двигатели
Смотреть![Подбор запчастей СЦЕПЛЕНИЕ В СБОРЕ ZS174MN-5 (NB300) [30.124.0600] Двигатели](/upload/resize_cache/iblock/6c5/r115ibj4v4fkwuvm3sltqfiudp9gb03w/220_300_140cd750bba9870f18aada2478b24840a/ZS174MN_5_NB300_301240600_6.jpg?v=1759949905)
Подбор запчастей СЦЕПЛЕНИЕ В СБОРЕ ZS174MN-5 (NB300) [30.124.0600] Двигатели
Смотреть![Подбор запчастей КАРТЕР ZS174MN-5 (NB300) [30.124.0600] Двигатели](/upload/resize_cache/iblock/aad/fs9509bbf3wq2hzp4m8igxlstxc0cqdk/220_300_140cd750bba9870f18aada2478b24840a/ZS174MN_5_NB300_301240600_8.jpg?v=1759947192)
Подбор запчастей КАРТЕР ZS174MN-5 (NB300) [30.124.0600] Двигатели
Смотреть![Подбор запчастей ШАТУН КОЛЕНЧАТОГО ВАЛА / ПОРШЕНЬ ZS174MN-5 (NB300) [30.124.0600] Двигатели](/upload/resize_cache/iblock/103/jcflnf1wrcl7dpft2r8gx9bvsjap78qd/220_300_140cd750bba9870f18aada2478b24840a/ZS174MN_5_NB300_301240600_9.jpg?v=1759954340)
Подбор запчастей ШАТУН КОЛЕНЧАТОГО ВАЛА / ПОРШЕНЬ ZS174MN-5 (NB300) [30.124.0600] Двигатели
Смотреть![Подбор запчастей ГЛАВНАЯ ТРАНСМИССИЯ, ВРАЩАЮЩИЙ ВАЛ ZS174MN-5 (NB300) [30.124.0600] Двигатели](/upload/resize_cache/iblock/f54/m92gtcqrdsmxn0csfhxeb1endtjdrhlg/220_300_140cd750bba9870f18aada2478b24840a/ZS174MN_5_NB300_301240600_10.jpg?v=1759949526)
Подбор запчастей ГЛАВНАЯ ТРАНСМИССИЯ, ВРАЩАЮЩИЙ ВАЛ ZS174MN-5 (NB300) [30.124.0600] Двигатели
Смотреть![Подбор запчастей МЕХАНИЗМ ПЕРЕКЛЮЧЕНИЯ ПЕРЕДАЧ ZS174MN-5 (NB300) [30.124.0600] Двигатели](/upload/resize_cache/iblock/f85/327dhilym074dzmtofhr91x18br9i82a/220_300_140cd750bba9870f18aada2478b24840a/ZS174MN_5_NB300_301240600_11.jpg?v=1759950584)
Подбор запчастей МЕХАНИЗМ ПЕРЕКЛЮЧЕНИЯ ПЕРЕДАЧ ZS174MN-5 (NB300) [30.124.0600] Двигатели
Смотреть![Подбор запчастей МАГНЕТО ZS174MN-5 (NB300) [30.124.0600] Двигатели](/upload/resize_cache/iblock/c33/ei2y504fw2es1yc4ntwxn1qw7h3glby6/220_300_140cd750bba9870f18aada2478b24840a/ZS174MN_5_NB300_301240600_12.jpg?v=1759947157)
Подбор запчастей МАГНЕТО ZS174MN-5 (NB300) [30.124.0600] Двигатели
Смотреть![Подбор запчастей ЭЛЕКТРОСТАРТЕР ZS174MN-5 (NB300) [30.124.0600] Двигатели](/upload/resize_cache/iblock/c09/7rqgrtqmj75a2e5ggbv3e0k7f1ep9xp0/220_300_140cd750bba9870f18aada2478b24840a/ZS174MN_5_NB300_301240600_13.jpg?v=1759950600)
Подбор запчастей ЭЛЕКТРОСТАРТЕР ZS174MN-5 (NB300) [30.124.0600] Двигатели
Смотреть![Подбор запчастей Правая крышка картера ZS177MM (NC300) [30.124.1006] Двигатели](/upload/resize_cache/iblock/007/0mznlles0x0cca1fti7d6vy2ujlx8ogm/220_300_140cd750bba9870f18aada2478b24840a/ZS177MM_NC300_301241006_4.png?v=1759947357)
Подбор запчастей Правая крышка картера ZS177MM (NC300) [30.124.1006] Двигатели
Смотреть![Подбор запчастей Левая крышка картера ZS177MM (NC300) [30.124.1006] Двигатели](/upload/resize_cache/iblock/bdb/4cxvovlabdu5p5eczpnc98udt0ezlqde/220_300_140cd750bba9870f18aada2478b24840a/ZS177MM_NC300_301241006_5.png?v=1759952542)
Подбор запчастей Левая крышка картера ZS177MM (NC300) [30.124.1006] Двигатели
Смотреть![Подбор запчастей Сцепление ZS177MM (NC300) [30.124.1006] Двигатели](/upload/resize_cache/iblock/75f/liqgewdb5eyz46pjl23x3zmmuryd96m9/220_300_140cd750bba9870f18aada2478b24840a/ZS177MM_NC300_301241006_6.png?v=1759950320)
Подбор запчастей Сцепление ZS177MM (NC300) [30.124.1006] Двигатели
Смотреть![Подбор запчастей Коленвал в сборе ZS177MM (NC300) [30.124.1006] Двигатели](/upload/resize_cache/iblock/056/v1y1tavhdcl54ehnyuubz0w3h47macew/220_300_140cd750bba9870f18aada2478b24840a/ZS177MM_NC300_301241006_10.png?v=1759947892)
Подбор запчастей Коленвал в сборе ZS177MM (NC300) [30.124.1006] Двигатели
Смотреть![Подбор запчастей Трансмиссия в сборе ZS177MM (NC300) [30.124.1006] Двигатели](/upload/resize_cache/iblock/df5/eonyinxr8ncosa18jujkhwodkt210qgp/220_300_140cd750bba9870f18aada2478b24840a/ZS177MM_NC300_301241006_11.png?v=1759947798)
Подбор запчастей Трансмиссия в сборе ZS177MM (NC300) [30.124.1006] Двигатели
Смотреть![Подбор запчастей Вал кикстартера в сборе ZS177MM (NC300) [30.124.1006] Двигатели](/upload/resize_cache/iblock/2cb/i9mb9z7gdxqa9bhvjgajurfvs156k0g2/220_300_140cd750bba9870f18aada2478b24840a/ZS177MM_NC300_301241006_12.png?v=1759949525)
Подбор запчастей Вал кикстартера в сборе ZS177MM (NC300) [30.124.1006] Двигатели
Смотреть![Подбор запчастей Механизм переключения передач ZS177MM (NC300) [30.124.1006] Двигатели](/upload/resize_cache/iblock/bfc/bunmk5klztcp9n9rdo6xax84i4uw4w0i/220_300_140cd750bba9870f18aada2478b24840a/ZS177MM_NC300_301241006_13.png?v=1759948259)
Подбор запчастей Механизм переключения передач ZS177MM (NC300) [30.124.1006] Двигатели
Смотреть![Подбор запчастей Механизм электростартера ZS177MM (NC300) [30.124.1006] Двигатели](/upload/resize_cache/iblock/57a/51s9hu2ryfq6arkvlcftbe2342ysb2a3/220_300_140cd750bba9870f18aada2478b24840a/ZS177MM_NC300_301241006_15.png?v=1759947780)
Подбор запчастей Механизм электростартера ZS177MM (NC300) [30.124.1006] Двигатели
Смотреть![Подбор запчастей Правая крышка картера ZS182MN (NC300S) [30.124.1501] Двигатели](/upload/resize_cache/iblock/c5f/52unjv1ick16agrqtz1ujozsrubvebz0/220_300_140cd750bba9870f18aada2478b24840a/ZS182MN_NC300S_301241501_4.jpg?v=1759947398)
Подбор запчастей Правая крышка картера ZS182MN (NC300S) [30.124.1501] Двигатели
Смотреть![Подбор запчастей Левая крышка картера ZS182MN (NC300S) [30.124.1501] Двигатели](/upload/resize_cache/iblock/4a1/uu3kbzrde72utbjpmw76m7xu2p2uvf4s/220_300_140cd750bba9870f18aada2478b24840a/ZS182MN_NC300S_301241501_5.jpg?v=1759953426)
Подбор запчастей Левая крышка картера ZS182MN (NC300S) [30.124.1501] Двигатели
Смотреть![Подбор запчастей Сцепление в сборе ZS182MN (NC300S) [30.124.1501] Двигатели](/upload/resize_cache/iblock/02f/9621to2tmp1b8onr0g417o4g13gv596n/220_300_140cd750bba9870f18aada2478b24840a/ZS182MN_NC300S_301241501_6.jpg?v=1759950320)
Подбор запчастей Сцепление в сборе ZS182MN (NC300S) [30.124.1501] Двигатели
Смотреть![Подбор запчастей Коленвал и поршень ZS182MN (NC300S) [30.124.1501] Двигатели](/upload/resize_cache/iblock/988/e50bjj6712ewbqx0mfdbaa8n0chimkse/220_300_140cd750bba9870f18aada2478b24840a/ZS182MN_NC300S_301241501_10.jpg?v=1759947892)
Подбор запчастей Коленвал и поршень ZS182MN (NC300S) [30.124.1501] Двигатели
Смотреть![Подбор запчастей Трансмиссия ZS182MN (NC300S) [30.124.1501] Двигатели](/upload/resize_cache/iblock/bf4/ikqe191633hw8vbp233t17zhw76y6k02/220_300_140cd750bba9870f18aada2478b24840a/ZS182MN_NC300S_301241501_11.jpg?v=1759947798)
Подбор запчастей Трансмиссия ZS182MN (NC300S) [30.124.1501] Двигатели
Смотреть![Подбор запчастей Кикстартер ZS182MN (NC300S) [30.124.1501] Двигатели](/upload/resize_cache/iblock/04f/yctusqyt7g4ac2d24jxfkq0zmas76733/220_300_140cd750bba9870f18aada2478b24840a/ZS182MN_NC300S_301241501_12.jpg?v=1759949525)
Подбор запчастей Кикстартер ZS182MN (NC300S) [30.124.1501] Двигатели
Смотреть![Подбор запчастей КПП ZS182MN (NC300S) [30.124.1501] Двигатели](/upload/resize_cache/iblock/af0/if23e7ep57bfct964410oikgpoa4k5hk/220_300_140cd750bba9870f18aada2478b24840a/ZS182MN_NC300S_301241501_13.jpg?v=1759948605)
Подбор запчастей КПП ZS182MN (NC300S) [30.124.1501] Двигатели
Смотреть![Подбор запчастей Электростартер ZS182MN (NC300S) [30.124.1501] Двигатели](/upload/resize_cache/iblock/412/z5yfe2lq8470fs08pnqqya54saf8m90j/220_300_140cd750bba9870f18aada2478b24840a/ZS182MN_NC300S_301241501_15.jpg?v=1759947780)
Подбор запчастей Электростартер ZS182MN (NC300S) [30.124.1501] Двигатели
Смотреть![Подбор запчастей КРЫШКИ КАРТЕРА ZS175FMM-3A (CB300) [30.124.5051] Двигатели](/upload/resize_cache/iblock/774/pi2roy994fn72ahg3or3qz9e1w3xau31/220_300_140cd750bba9870f18aada2478b24840a/ZS175FMM_3A_CB300_301245051_3.jpg?v=1759953479)
Подбор запчастей КРЫШКИ КАРТЕРА ZS175FMM-3A (CB300) [30.124.5051] Двигатели
Смотреть![Подбор запчастей СЦЕПЛЕНИЕ ZS175FMM-3A (CB300) [30.124.5051] Двигатели](/upload/resize_cache/iblock/945/d9ujlo1v8lk2zd9brjx4fm9qxhu6uy7s/220_300_140cd750bba9870f18aada2478b24840a/ZS175FMM_3A_CB300_301245051_4.jpg?v=1759950306)
Подбор запчастей СЦЕПЛЕНИЕ ZS175FMM-3A (CB300) [30.124.5051] Двигатели
Смотреть![Подбор запчастей ФИЛЬТР МАСЛЯНЫЙ ZS175FMM-3A (CB300) [30.124.5051] Двигатели](/upload/resize_cache/iblock/8a6/25z7k2irtszxa1t04dtskf8hjkh9ay66/220_300_140cd750bba9870f18aada2478b24840a/ZS175FMM_3A_CB300_301245051_5.jpg?v=1759950350)
Подбор запчастей ФИЛЬТР МАСЛЯНЫЙ ZS175FMM-3A (CB300) [30.124.5051] Двигатели
Смотреть![Подбор запчастей КАРТЕР ДВИГАТЕЛЯ ZS175FMM-3A (CB300) [30.124.5051] Двигатели](/upload/resize_cache/iblock/e58/ghlkyxqbksvlb58gyeswzr3ol868i0l3/220_300_140cd750bba9870f18aada2478b24840a/ZS175FMM_3A_CB300_301245051_6.jpg?v=1759948302)
Подбор запчастей КАРТЕР ДВИГАТЕЛЯ ZS175FMM-3A (CB300) [30.124.5051] Двигатели
Смотреть![Подбор запчастей КПП ZS175FMM-3A (CB300) [30.124.5051] Двигатели](/upload/resize_cache/iblock/149/h7apbbayk9lkihg80v5skl8tvz38rrkn/220_300_140cd750bba9870f18aada2478b24840a/ZS175FMM_3A_CB300_301245051_8.jpg?v=1759948342)
Подбор запчастей КПП ZS175FMM-3A (CB300) [30.124.5051] Двигатели
Смотреть![Подбор запчастей МЕХАНИЗМ ПЕРЕКЛЮЧЕНИЯ ZS175FMM-3A (CB300) [30.124.5051] Двигатели](/upload/resize_cache/iblock/200/vnjw88w3xpew9q1xhpcb68bd2fb6yt0u/220_300_140cd750bba9870f18aada2478b24840a/ZS175FMM_3A_CB300_301245051_9.jpg?v=1759950252)
Подбор запчастей МЕХАНИЗМ ПЕРЕКЛЮЧЕНИЯ ZS175FMM-3A (CB300) [30.124.5051] Двигатели
Смотреть![Подбор запчастей Стартер ZS175FMM-3A (CB300) [30.124.5051] Двигатели](/upload/resize_cache/iblock/6d5/89627dmkei3daqlbal6ldhfve0skefzs/220_300_140cd750bba9870f18aada2478b24840a/ZS175FMM_3A_CB300_301245051_11.jpg?v=1759950600)
Подбор запчастей Стартер ZS175FMM-3A (CB300) [30.124.5051] Двигатели
Смотреть![Подбор запчастей КЛАПАН РЕЦИРКУЛЯЦИИ ZS175FMM-3A (CB300) [30.124.5051] Двигатели](/upload/resize_cache/iblock/7bf/ez6apinqusuzgxxtdrc8r6mr0382w3cw/220_300_140cd750bba9870f18aada2478b24840a/ZS175FMM_3A_CB300_301245051_13.jpg?v=1759954340)
Подбор запчастей КЛАПАН РЕЦИРКУЛЯЦИИ ZS175FMM-3A (CB300) [30.124.5051] Двигатели
Смотреть![Подбор запчастей Правая крышка Картера ZS194MQ (NC450) [30.125.0011] Двигатели](/upload/resize_cache/iblock/8c1/va4rwxt9wg650astr50di63k4pjt3ey5/220_300_140cd750bba9870f18aada2478b24840a/ZS194MQ_NC450_2_301250011_4.jpg?v=1759949526)
Подбор запчастей Правая крышка Картера ZS194MQ (NC450) [30.125.0011] Двигатели
Смотреть![Подбор запчастей Левая крышка Картера ZS194MQ (NC450) [30.125.0011] Двигатели](/upload/resize_cache/iblock/9c6/02g0kwhwoodz2efc305a0zeoey09joto/220_300_140cd750bba9870f18aada2478b24840a/ZS194MQ_NC450_2_301250011_5.jpg?v=1759949526)
Подбор запчастей Левая крышка Картера ZS194MQ (NC450) [30.125.0011] Двигатели
Смотреть![Подбор запчастей Сцепление в сборе ZS194MQ (NC450) [30.125.0011] Двигатели](/upload/resize_cache/iblock/101/1dpbv7gapx3e97aqwz3kgkucf7fyhfjr/220_300_140cd750bba9870f18aada2478b24840a/ZS194MQ_NC450_2_301250011_6.jpg?v=1759950360)
Подбор запчастей Сцепление в сборе ZS194MQ (NC450) [30.125.0011] Двигатели
Смотреть![Подбор запчастей Левый Картер ZS194MQ (NC450) [30.125.0011] Двигатели](/upload/resize_cache/iblock/3cd/jt3paj5xe52womau6rpix9o0k0748hqc/220_300_140cd750bba9870f18aada2478b24840a/ZS194MQ_NC450_2_301250011_8.jpg?v=1759949526)
Подбор запчастей Левый Картер ZS194MQ (NC450) [30.125.0011] Двигатели
Смотреть![Подбор запчастей Коленвал ZS194MQ (NC450) [30.125.0011] Двигатели](/upload/resize_cache/iblock/6b6/nzaxclhp09ypwkm8vu1ioen5upi6rcdq/220_300_140cd750bba9870f18aada2478b24840a/ZS194MQ_NC450_2_301250011_10.jpg?v=1759952534)
Подбор запчастей Коленвал ZS194MQ (NC450) [30.125.0011] Двигатели
Смотреть![Подбор запчастей Механизм переключения передач ZS194MQ (NC450) [30.125.0011] Двигатели](/upload/resize_cache/iblock/4d5/jf9isksxbh2vk7dmhytpvyqgurabk6si/220_300_140cd750bba9870f18aada2478b24840a/ZS194MQ_NC450_2_301250011_12.jpg?v=1759948605)
Подбор запчастей Механизм переключения передач ZS194MQ (NC450) [30.125.0011] Двигатели
Смотреть![Подбор запчастей Электростартер ZS194MQ (NC450) [30.125.0011] Двигатели](/upload/resize_cache/iblock/8b3/zhes159d2k3f4zo7nxjf0d9r3ocqfeqs/220_300_140cd750bba9870f18aada2478b24840a/ZS194MQ_NC450_2_301250011_14.jpg?v=1759950714)
Подбор запчастей Электростартер ZS194MQ (NC450) [30.125.0011] Двигатели
Смотреть![Подбор запчастей Кикстартер ZS194MQ (NC450) [30.125.0011] Двигатели](/upload/resize_cache/iblock/434/mskbgnyvc8wpaw4oghec91a8ta20ox4i/220_300_140cd750bba9870f18aada2478b24840a/ZS194MQ_NC450_2_301250011_16.jpg?v=1759947780)
Подбор запчастей Кикстартер ZS194MQ (NC450) [30.125.0011] Двигатели
Смотреть
Подбор запчастей ГРМ ZS172FMM-5 (PR250) Двигатели
Смотреть
Подбор запчастей КРЫШКИ КАРТЕРА ZS172FMM-5 (PR250) Двигатели
Смотреть
Подбор запчастей СЦЕПЛЕНИЕ ZS172FMM-5 (PR250) Двигатели
Смотреть
Подбор запчастей МАСЛЯНЫЙ НАСОС/МАСЛЯНЫЙ ФИЛЬТР ZS172FMM-5 (PR250) Двигатели
Смотреть
Подбор запчастей КПП ZS172FMM-5 (PR250) Двигатели
Смотреть
Подбор запчастей МЕХАНИЗМ ПЕРЕКЛЮЧЕНИЯ ПЕРЕДАЧ ZS172FMM-5 (PR250) Двигатели
Смотреть
Подбор запчастей ГЕНЕРАТОР ZS172FMM-5 (PR250) Двигатели
Смотреть
Подбор запчастей СТАРТЁР ZS172FMM-5 (PR250) Двигатели
СмотретьДоставка