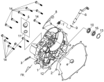
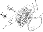
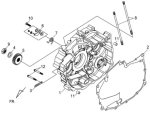
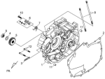
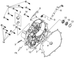
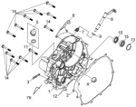
Запчасти SYM Двигатель - в наличии на складе и под заказ!