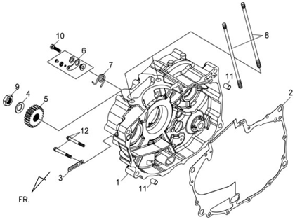
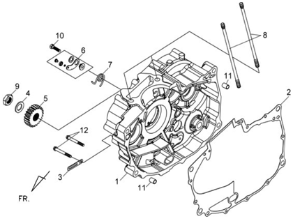
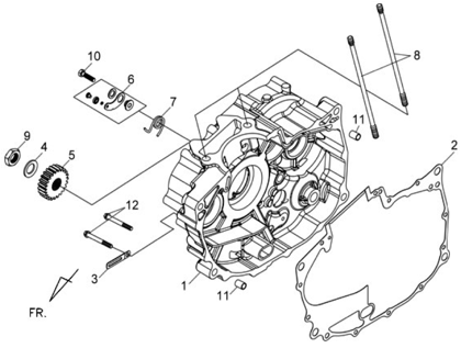
Запчасти SYM Правая половина картера Двигатель - в наличии на складе и под заказ!

Правая половина картера
Наименование
Артикул
Кол-во в узле
Цена
Наличие
Аналоги
Наименование
1
Кол-во в узле
Цена
11100-BAA-000-BK
1
Наименование
2
Кол-во в узле
Цена
11191-BAA-000
1
1 055 ₽
Наименование
3
Крепление
12342-X01-000
Кол-во в узле
Цена
12342-X01-000
3
38 ₽
Наименование
4
Кол-во в узле
Цена
15451-B08-000
2
15 ₽
Наименование
5
Кол-во в узле
Цена
23121-BAA-000
1
1 458 ₽
Наименование
6
Кол-во в узле
Цена
24430-BAA-000
1
1 382 ₽
Наименование
7
Кол-во в узле
Цена
24435-B3U-000
1
137 ₽
Наименование
8
Шпилька
90031-HMA-000
Кол-во в узле
Цена
90031-HMA-000
2
437 ₽
Наименование
9
Кол-во в узле
Цена
90231-N01-000
2
86 ₽
Наименование
10
Болт шест 6х20
92101-06020-0H
Кол-во в узле
Цена
92101-06020-0H
1
15 ₽
Наименование
11
Кол-во в узле
Цена
94301-08140
2
21 ₽
Наименование
12
Кол-во в узле
Цена
96001-06055-07
2
71 ₽