Запчасти  SYM Генератор Двигатель - в наличии на складе и под заказ!
                    
                    
                                                                            
             
            
    
        
        
    
        
            
                
            
                
                 
                         
            
                
                    
                    
                        Наименование
                    
                    Артикул
                    
                        Кол-во в узле
                    
                                            Цена
                                        Наличие
                    Аналоги
                 
                                                        
                                                        
                        
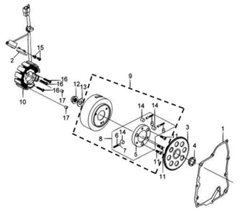
                            №
                        
                        
                            Наименование
                        
                        2
                        
                        
                            Кол-во в узле
                        
                        
                            Цена
                        
                        
                        1
                        
                                                                                        91 ₽
                                                    
                        
                                                            
                                                    
                                             
                                                        
                        
                            №
                        
                        
                            Наименование
                        
                        3
                        
                        
                            Кол-во в узле
                        
                        
                            Цена
                        
                        
                        1
                        
                                                                                        2 801 ₽
                                                    
                        
                                                            
                                                    
                                             
                                                        
                        
                            №
                        
                        
                            Наименование
                        
                        4
                        
                        
                            Кол-во в узле
                        
                        
                            Цена
                        
                        
                        2
                        
                                                                                        753 ₽
                                                    
                        
                                                            
                                                    
                                             
                                                        
                        
                            №
                        
                        
                            Наименование
                        
                        5
                        
                        
                            Кол-во в узле
                        
                        
                            Цена
                        
                        
                        1
                        
                                                                                        ⼀
                                                    
                        
                                                            
                                                    
                                             
                                                        
                        
                            №
                        
                        
                            Наименование
                        
                        6
                        
                        
                            Кол-во в узле
                        
                        
                            Цена
                        
                        
                        3
                        
                                                                                        9 ₽
                                                    
                        
                                                            
                                                    
                                             
                                                        
                                                        
                        
                            №
                        
                        
                            Наименование
                        
                        8
                        
                        
                            Кол-во в узле
                        
                        
                            Цена
                        
                        
                        1
                        
                                                                                        4 135 ₽
                                                    
                        
                                                            
                                                    
                                             
                                                        
                        
                            №
                        
                        
                            Наименование
                        
                        9
                        
                        
                            Кол-во в узле
                        
                        
                            Цена
                        
                        
                        1
                        
                                                                                        3 886 ₽
                                                    
                        
                                                            
                                                    
                                             
                                                        
                        
                            №
                        
                        
                            Наименование
                        
                        10
                        
                        
                            Кол-во в узле
                        
                        
                            Цена
                        
                        
                        1
                        
                                                                                        4 012 ₽
                                                    
                        
                                                            
                                                    
                                             
                                                        
                        
                            №
                        
                        
                            Наименование
                        
                        11
                        
                        
                            Кол-во в узле
                        
                        
                            Цена
                        
                        
                        3
                        
                                                                                        ⼀
                                                    
                        
                                                            
                                                    
                                             
                                                        
                        
                            №
                        
                        
                            Наименование
                        
                        12
                        
                        
                            Кол-во в узле
                        
                        
                            Цена
                        
                        
                        1
                        
                                                                                        118 ₽
                                                    
                        
                                                            
                                                    
                                             
                                                        
                        
                            №
                        
                        
                            Наименование
                        
                        13
                        
                        
                            Кол-во в узле
                        
                        
                            Цена
                        
                        
                        1
                        
                                                                                        30 ₽
                                                    
                        
                                                            
                                                    
                                             
                                                        
                        
                            №
                        
                        
                            Наименование
                        
                        14
                        
                        
                            Кол-во в узле
                        
                        
                            Цена
                        
                        
                        3
                        
                                                                                        ⼀
                                                    
                        
                                                            
                                                    
                                             
                                                        
                        
                            №
                        
                        
                            Наименование
                        
                        15
                        
                        
                            Кол-во в узле
                        
                        
                            Цена
                        
                        
                        1
                        
                                                                                        27 ₽
                                                    
                        
                                                            
                                                    
                                             
                                                        
                        
                            №
                        
                        
                            Наименование
                        
                        16
                        
                        
                            Кол-во в узле
                        
                        
                            Цена
                        
                        
                        3
                        
                                                                                        27 ₽
                                                    
                        
                                                            
                                                    
                                             
                                                        
                        
                            №
                        
                        
                            Наименование
                        
                        17
                        
                        
                            Кол-во в узле
                        
                        
                            Цена
                        
                        
                        2
                        
                                                                                        21 ₽